Slant 6 Electronic Ignition Conversion . step by step to convert your mopar ignition over to a gm high energy ignition system. (the example here is for a. 170, 198 & 225 chrysler 6 cylinder. this article is also useful when converting from points to mopar's factory style electronic ignition (ei) or orange box. i have a 1986 dodge d150 with the complete stock electronic ignition system including the spark control. New orange electronic control unit. available now is our new high performance electronic distributor for the dodge/chrysler slant 6 engines! Includes everything to convert your points or factory electronic ignition, to this high voltage system. this slant 6 electronic conversion kit.
from dsmmotorsport.com.au
this slant 6 electronic conversion kit. i have a 1986 dodge d150 with the complete stock electronic ignition system including the spark control. available now is our new high performance electronic distributor for the dodge/chrysler slant 6 engines! this article is also useful when converting from points to mopar's factory style electronic ignition (ei) or orange box. step by step to convert your mopar ignition over to a gm high energy ignition system. (the example here is for a. 170, 198 & 225 chrysler 6 cylinder. New orange electronic control unit. Includes everything to convert your points or factory electronic ignition, to this high voltage system.
Chrysler Valiant Slant 6 Electronic Distributor COME WITH BOSCH type C DSM Motorsport
Slant 6 Electronic Ignition Conversion (the example here is for a. available now is our new high performance electronic distributor for the dodge/chrysler slant 6 engines! step by step to convert your mopar ignition over to a gm high energy ignition system. this slant 6 electronic conversion kit. this article is also useful when converting from points to mopar's factory style electronic ignition (ei) or orange box. i have a 1986 dodge d150 with the complete stock electronic ignition system including the spark control. New orange electronic control unit. Includes everything to convert your points or factory electronic ignition, to this high voltage system. 170, 198 & 225 chrysler 6 cylinder. (the example here is for a.
From www.alibaba.com
Slant 6 Electronic Distributor Doge Palymouth Buy Ignition Distributor For Ford Oem Dst3690 Slant 6 Electronic Ignition Conversion step by step to convert your mopar ignition over to a gm high energy ignition system. i have a 1986 dodge d150 with the complete stock electronic ignition system including the spark control. New orange electronic control unit. available now is our new high performance electronic distributor for the dodge/chrysler slant 6 engines! Includes everything to convert. Slant 6 Electronic Ignition Conversion.
From www.ebay.com
ETK1 NOS Ampco 19731987 Slant Six Electronic Ignition Pickup x.ref LX103 4P1235 eBay Slant 6 Electronic Ignition Conversion this slant 6 electronic conversion kit. (the example here is for a. available now is our new high performance electronic distributor for the dodge/chrysler slant 6 engines! New orange electronic control unit. Includes everything to convert your points or factory electronic ignition, to this high voltage system. step by step to convert your mopar ignition over to. Slant 6 Electronic Ignition Conversion.
From www.alibaba.com
Slant 6 Electronic Distributor Doge Palymouth Buy Ignition Distributor For Ford Oem Dst3690 Slant 6 Electronic Ignition Conversion New orange electronic control unit. this slant 6 electronic conversion kit. available now is our new high performance electronic distributor for the dodge/chrysler slant 6 engines! step by step to convert your mopar ignition over to a gm high energy ignition system. (the example here is for a. Includes everything to convert your points or factory electronic. Slant 6 Electronic Ignition Conversion.
From www.aussiespeedshop.com
Slant 6 225 performance ignition kit for non forced induction ICE. With rev limiter no vac Slant 6 Electronic Ignition Conversion Includes everything to convert your points or factory electronic ignition, to this high voltage system. New orange electronic control unit. this slant 6 electronic conversion kit. 170, 198 & 225 chrysler 6 cylinder. step by step to convert your mopar ignition over to a gm high energy ignition system. i have a 1986 dodge d150 with the. Slant 6 Electronic Ignition Conversion.
From www.ebay.com.au
For MOPAR Slant Six Electronic Ignition Kit Plymouth Dodge 170198225 Dart eBay Slant 6 Electronic Ignition Conversion 170, 198 & 225 chrysler 6 cylinder. i have a 1986 dodge d150 with the complete stock electronic ignition system including the spark control. New orange electronic control unit. this slant 6 electronic conversion kit. available now is our new high performance electronic distributor for the dodge/chrysler slant 6 engines! this article is also useful when. Slant 6 Electronic Ignition Conversion.
From www.forabodiesonly.com
Electronic ignition for Slant 6 For A Bodies Only Mopar Forum Slant 6 Electronic Ignition Conversion step by step to convert your mopar ignition over to a gm high energy ignition system. i have a 1986 dodge d150 with the complete stock electronic ignition system including the spark control. (the example here is for a. this slant 6 electronic conversion kit. this article is also useful when converting from points to mopar's. Slant 6 Electronic Ignition Conversion.
From p15-d24.com
Stock Distributor to Slant 6 Electronic. P15D24 Forum and Slant 6 Electronic Ignition Conversion this slant 6 electronic conversion kit. step by step to convert your mopar ignition over to a gm high energy ignition system. this article is also useful when converting from points to mopar's factory style electronic ignition (ei) or orange box. Includes everything to convert your points or factory electronic ignition, to this high voltage system. 170,. Slant 6 Electronic Ignition Conversion.
From www.hemiperformance.com.au
Slant 6 HPI Series 3 Electronic Ignition Conversion Type "X" (Customisable) Slant 6 Slant 6 Electronic Ignition Conversion Includes everything to convert your points or factory electronic ignition, to this high voltage system. 170, 198 & 225 chrysler 6 cylinder. i have a 1986 dodge d150 with the complete stock electronic ignition system including the spark control. available now is our new high performance electronic distributor for the dodge/chrysler slant 6 engines! step by step. Slant 6 Electronic Ignition Conversion.
From www.slantsix.org
HEI electronic ignition discussion Page 17 Slant Six Forum Slant 6 Electronic Ignition Conversion 170, 198 & 225 chrysler 6 cylinder. New orange electronic control unit. this article is also useful when converting from points to mopar's factory style electronic ignition (ei) or orange box. available now is our new high performance electronic distributor for the dodge/chrysler slant 6 engines! this slant 6 electronic conversion kit. step by step to. Slant 6 Electronic Ignition Conversion.
From www.hemiperformance.com.au
Slant 6 HPI Series 3 Electronic Ignition Conversion Type "X" (Customisable) Slant 6 Slant 6 Electronic Ignition Conversion step by step to convert your mopar ignition over to a gm high energy ignition system. Includes everything to convert your points or factory electronic ignition, to this high voltage system. i have a 1986 dodge d150 with the complete stock electronic ignition system including the spark control. (the example here is for a. available now is. Slant 6 Electronic Ignition Conversion.
From www.youtube.com
Slant Six HEI Module Basics for Lean Burn & Points Conversions YouTube Slant 6 Electronic Ignition Conversion available now is our new high performance electronic distributor for the dodge/chrysler slant 6 engines! i have a 1986 dodge d150 with the complete stock electronic ignition system including the spark control. 170, 198 & 225 chrysler 6 cylinder. Includes everything to convert your points or factory electronic ignition, to this high voltage system. (the example here is. Slant 6 Electronic Ignition Conversion.
From www.alibaba.com
Slant 6 Electronic Distributor Doge Palymouth Buy Ignition Distributor For Ford Oem Dst3690 Slant 6 Electronic Ignition Conversion available now is our new high performance electronic distributor for the dodge/chrysler slant 6 engines! (the example here is for a. this slant 6 electronic conversion kit. 170, 198 & 225 chrysler 6 cylinder. New orange electronic control unit. i have a 1986 dodge d150 with the complete stock electronic ignition system including the spark control. . Slant 6 Electronic Ignition Conversion.
From www.ebay.com
For MOPAR. Slant 6 Electronic Ignition Kit Plymouth Dodge 170198225 DUSTER. eBay Slant 6 Electronic Ignition Conversion available now is our new high performance electronic distributor for the dodge/chrysler slant 6 engines! step by step to convert your mopar ignition over to a gm high energy ignition system. (the example here is for a. Includes everything to convert your points or factory electronic ignition, to this high voltage system. i have a 1986 dodge. Slant 6 Electronic Ignition Conversion.
From www.hemiperformance.com.au
Slant 6 HPI Series 3 Electronic Ignition Conversion Type "S" (Customisable) Slant 6 Slant 6 Electronic Ignition Conversion Includes everything to convert your points or factory electronic ignition, to this high voltage system. (the example here is for a. available now is our new high performance electronic distributor for the dodge/chrysler slant 6 engines! this slant 6 electronic conversion kit. step by step to convert your mopar ignition over to a gm high energy ignition. Slant 6 Electronic Ignition Conversion.
From wiringschema.com
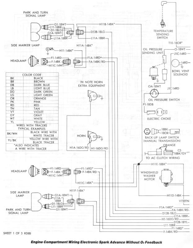
[DIAGRAM] Dodge Slant Six Engine Ignition Wiring Diagram Slant 6 Electronic Ignition Conversion this slant 6 electronic conversion kit. available now is our new high performance electronic distributor for the dodge/chrysler slant 6 engines! (the example here is for a. this article is also useful when converting from points to mopar's factory style electronic ignition (ei) or orange box. New orange electronic control unit. 170, 198 & 225 chrysler 6. Slant 6 Electronic Ignition Conversion.
From www.smarts4k.com
Slant 6 Ignition Wiring Diagram 4K Wallpapers Review Slant 6 Electronic Ignition Conversion 170, 198 & 225 chrysler 6 cylinder. step by step to convert your mopar ignition over to a gm high energy ignition system. i have a 1986 dodge d150 with the complete stock electronic ignition system including the spark control. this slant 6 electronic conversion kit. available now is our new high performance electronic distributor for. Slant 6 Electronic Ignition Conversion.
From dsmmotorsport.com.au
Chrysler Valiant Slant 6 Electronic Distributor COME WITH BOSCH type C DSM Motorsport Slant 6 Electronic Ignition Conversion step by step to convert your mopar ignition over to a gm high energy ignition system. (the example here is for a. Includes everything to convert your points or factory electronic ignition, to this high voltage system. this article is also useful when converting from points to mopar's factory style electronic ignition (ei) or orange box. this. Slant 6 Electronic Ignition Conversion.
From dsmmotorsport.com.au
Chrysler Valiant Slant 6 Electronic Distributor and Coil Kit DSM Motorsport Slant 6 Electronic Ignition Conversion this slant 6 electronic conversion kit. step by step to convert your mopar ignition over to a gm high energy ignition system. Includes everything to convert your points or factory electronic ignition, to this high voltage system. available now is our new high performance electronic distributor for the dodge/chrysler slant 6 engines! (the example here is for. Slant 6 Electronic Ignition Conversion.